从射频信号完整性到电源完整性从输出阻抗Zout重构环路传递函数

分享到:

 
11
 
Qorvo首席系统工程师/高级管理培训师 Masashi Nogawa将通过《从射频信号完整性到电源完整性》这一系列文章,与您探讨射频(RF)电源的相关话题,以及电源轨可能对噪声敏感的RF和信号链应用构成的挑战。我们已推出一系列关于电压调节器模块(VRM)特性的文章。这篇文章将继续探讨如何从输出阻抗Zout重构环路传递函数;在未来的文章中,我们还将更深入地探讨其学术方面的话题。
 
电压调节模块(VRM)的输出阻抗特性ZOUT在我们关于电源完整性的讨论中扮演着重要角色,甚至可以说是核心要素。
 
正如射频(RF)或信号链工程师关注阻抗及匹配一样,电源工程师也关注VRM和电源分配网络(PDN)的阻抗,以优化电源完整性性能。
 
为什么输出阻抗如此重要?
  • 在几乎所有情况下,我们都可以在测试台上访问和测量VRM的ZOUT曲线。我们只需要用测试设备探测PCB走线,就能以几乎非侵入的方式测量出ZOUT曲线,而无需移除板上的元件或切断PCB走线。
  • VRM的ZOUT是对任何电源轨进行PDN阻抗分析的起点。
  • 最后也是最重要的因素:VRM的输出阻抗ZOUT是其控制环路性能的直接量度。
每次探针测量都有一定程度的侵入性,会改变原始DUT(被测设备)的行为,但VRM能够以低阻抗向其负载设备馈送直流电压,并且具备高功率驱动能力。除非用于处理移动/便携式应用中的低功耗LDO或开关稳压器,否则额外并联的50Ω探针所产生的影响微乎其微。
 
举例来说,教科书告诉我们,闭环输出阻抗ZOUT(Closed)是VRM环路传递函数T(s)和开环输出阻抗ZOUT(Open)的函数(等式8-1)
 
22
等式8-1
 
通过在QSPICE™中运行各种示例仿真,我们回顾了VRM的输出阻抗特性ZOUT与控制环路之间的关系。
 
仿真模型
 
为查看VRM的输出阻抗ZOUT,我们将复用之前的一个线性稳压器仿真模型示例,并添加一些额外元件。随着我们逐步深入,您将看到添加这些额外电路模块的原因。
 
此仿真套件可通过GitHub上的Qorvo代码库获取。
 
33
图1,针对环路响应的线性稳压器仿真分析
 
该仿真套件通过“step(点步)”语句执行6步子仿真。

 

 

伯德图

Zout(闭环)

Zout(开环)

误差放大器,环路#0

Step = 0

Step = 2

Step = 4

误差放大器,环路#1

Step = 1

Step = 3

Step = 5

注释:
  • 误差放大器块中包含两种不同的增益配置,我们将在回顾过程中比较它们之间的差异。这种差异来源于原理图中“R1和Cea对”构成的增益级,且两种配置在奇数和偶数步中交替出现。
  • 电压源Vac为伯德(Bode)图提供扰动。此电压源在第0步和第1步时开启,之后关闭。
  • 电流源Izout为输出阻抗曲线提供扰动。该电流源在第0步和第1步时关闭,在第2-5步时开启。
  • 通过改变L2/C1滤波器对的截止频率,我们进行了ZOUT曲线的开环仿真。利用这个LC滤波器,我们可以保持其非常低频的直流偏置点,即当环路打开时,输出电压Vout仍能保持在其目标值。该滤波器在第0-3步时关闭,在第4和第5步时开启。
尽管我们将在接下来的部分详细审查每个结果,但所有六个步骤的结果均如图2所示。
 
44
图2,相位和增益响应仿真
 
PyQSPICE模块采用Python编写,负责所有数据处理、计算和绘图工作,这些操作通过Jupyter Lab记录在一个会话文件中。您可以在Jupyter Lab笔记本中修改原理图并重复绘图过程。
 
+/-符号与180°相移
 
如果您想复制本文中的仿真电路细节、计算结果和图表,本节将提供有关如何设置电压电位极性和电流流向的信息。
 
环路传递函数、环路开环与奈奎斯特图
 
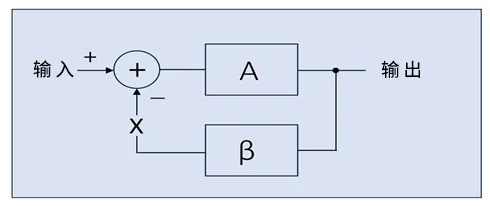
在教科书中,图3解释了负反馈回路的基本原理,其特征方程如等式8-2所示
 
55
 
图3,基本反馈环路
 
66
等式8-2
 
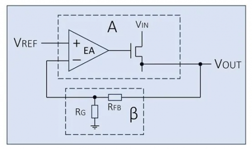
在讨论奈奎斯特稳定性判据和奈奎斯特图时,我们处理的是通过在“X”处打开/切断环路所得到的环路传递函数T = Aβ,如图4所示。
 
77
 
图4,基本的开环反馈环路
 
请注意,我们在“+”和“-”符号的求和点处切断了环路,这意味着在此类开环方法中不存在负求和。
 
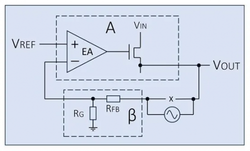
我们可以重新绘制仿真电路以匹配图3,如图5所示。
 
88
图5,仿真模型中标明的A和β
 
请注意,原始原理图中的误差放大器正在驱动P型FET的栅极;反馈信号连接到“+”端口,但作用却如同负“-”端口。
 
对于我们伯德图子仿真中“***” = 0和1的情况,我们通过打开环路来插入交流(AC)扰动,如图6所示。请注意,通过这种方式打开环路,我们实际上执行了一个“负求和”,因此得到的环路传递函数会发生180°的相位偏移
 
99
图6,打开环路并添加交流扰动
 
输出阻抗
 
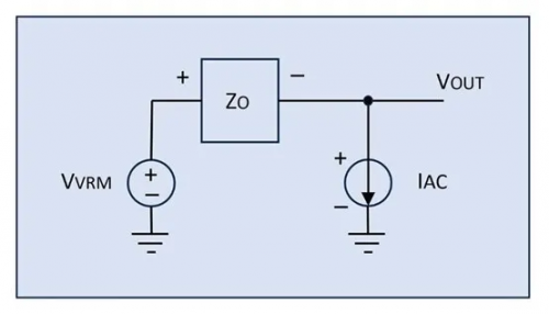
在测量阻抗时,使用图7中的电路,其中正弦波“正峰值”电源在被测目标组件上产生“正峰值”。这可以通过以下两种方式之一实现:
  • 施加交流电压并测量流入目标的交流电流;
  • 施加交流电流并测量目标两端的交流电压。
10
图7,对阻抗施加交流电以测量其阻抗值
 
对于阻抗子仿真中“***”= 2至5的情况,我们按照图8所示处理VRM模型。
 
12
图8,子仿真中VRM模型的处理
 
我们施加交流扰动并监测代表输出阻抗的Vout信号(图9)。
 
13
图9,添加电流扰动并监测电压以评估阻抗
 
请注意,假设VRM核心模块可以由一个理想的直流电压源来表示,那么这个测量设置会发送一个正峰值电流源去测量电压响应的负峰值,因此得到的Vout信号是我们输出阻抗的180°相位偏移版本。
 
从ZOUT重构环路传递函数
 
现在,是时候根据等式8-1来进行计算了,重构环路传递函数时需要注意这些仿真结果为相量信号;换句话说,是包含相位和幅度信息的矢量数据.
 
图10中的增益和相位图左侧为环路#0,右侧为环路#1。
 
由于这是一组理想状态的仿真,我们可以看到从ZOUT(Closed)和ZOUT(Open)重构的环路传递函数与原始的伯德图完全匹配。我们理解这看起来好得令人难以置信,您可以在github.com上的Qorvo代码库中获取完整的仿真套件,通过运行自己的仿真来验证这些精确匹配的曲线。
 
 
14
图10,仿真得到的增益和相位图
 
为便于确认,我们以不同的分组方式重新绘制了相同的数据:左侧为伯德图仿真,右侧是从ZOUT(Closed)和ZOUT(Open)重构的环路传递函数。在这里,我们可以清楚地看到#0和#1两个环路配置间的差异,尤其是在相位图中。
 
15
图11,重新绘制的增益和相位图
 
请记住,无论是伯德图的仿真还是从ZOUT重构的数据,都比一般控制环路理论教科书中描述的要偏移180°。
 
从我们的图表中可以看出,在增益穿越0dB线时,大约有30°的相位裕度。这是由于我们的仿真设置使得结果偏移了180°,因此0°相位裕度会导致振荡。虽然说“我们从180°的点开始,有大约150°的裕量”有点奇怪,但这实际与翻转“+”和“-”符号是同一回事。
 
根据等式8-1,当第一项ZOUT(Open)/ZOUT(Closed)足够大时,我们可以忽略第二项“-1”;这意味着我们只需使用第一项ZOUT(Open)/ZOUT(Closed)来表示环路传递函数,直到增益接近单位增益,即0dB。此外,当我们在对数尺度上绘制阻抗时,这个“开环”到“闭环”的比率就变成了差值。因此,我们可以快速检查环路传递函数,而无需进行矢量/相量计算,只需简单的数学运算:ZOUT(Open) (dB) – ZOUT(Closed) (dB)
 
图12展示了这种快速检查版本的重构环路传递函数的曲线,以蓝色虚线表示。如前所述,该图在增益降至0dB时仍然准确;但值得了解的是,我们能在不使用任何计算工具的情况下,通过测量ZOUT图来勾勒出环路传递函数。也请注意,我们还可以使用这种快速缩减版本来获取相位信息。
 
16
图12,用于快速检查的增益和相位图
 
相关资讯
Qorvo荣获2026年Handshake青年人才奖

近日,全球领先的连接和电源解决方案供应商Qorvo®(纳斯达克代码:QRVO)宣布荣获2026年度Handshake青年人才奖(ETA);以表彰Qorvo作为“Z世代”人才顶尖雇主的突出成就。

UWB室内定位系统快速落地与部署指南

室内场景对定位精度的要求日渐严苛,厘米级定位更是成为智慧管控、资产追踪等应用的关键支撑,而超宽带(UWB)技术凭借出色的抗干扰能力与测距精度,成为实现这一目标的优选路径。基于Qorvo DW3000芯片的TWR双向测距方案,在部署效率与定位性能之间找到了平衡,从硬件选型、现场部署到校准优化,整套工程实践思路清晰可行,既能满足深度定制需求,也能兼顾快速落地的场景,轻松破解天线偏差、环境遮挡等常见难题。

从一块割草机电池的“重生”,了解Qorvo BMS的硬核实力!

我正打算购买一台电池驱动的割草机,恰好在庭院旧货摊上看到了一台。“这机器就用过两次。”卖家说道,这时我又注意到旁边还有一台一模一样的。它的价格只有新机的一半,于是我便买下了它,开心地把它推回了家。这台割草机用起来很棒:运行安静、动力充沛,修剪出的草坪整齐美观。然而,割完草后,我取出电池,把它插进充电器,结果充电器闪起了红灯,拒绝为其充电。“现在我知道它为什么要出售了。我真傻,居然冒险买下。”我暗自责备自己。

Qorvo荣获建兴储存科技公司“供应商冠军奖”

全球领先的连接和电源解决方案供应商Qorvo®(纳斯达克代码:QRVO)宣布荣获建兴储存科技公司(SSSTC)颁发的“电源类供应商冠军奖”。该奖项每年授予在SSSTC质量评估中表现最为出色的供应商。

更智能的电源,成就更智能的视觉:Qorvo为SoC和AI处理器提供动力

从搭载人工智能(AI)技术的门铃,到可穿戴健康监测设备,再到增强现实眼镜,机器视觉的应用已远远超越了工业自动化领域。如今,它已成为众多消费电子产品的核心功能,通过智能检测与控制提升人们的日常生活品质。基于视觉的AI正在改变我们与设备的交互方式,无论是根据人员占用情况自动调节的智能照明系统、仅对有人使用的房间进行制冷的智能暖通空调(HVAC)系统,还是对患者生命体征和健康状况的远程监测。

精彩活动